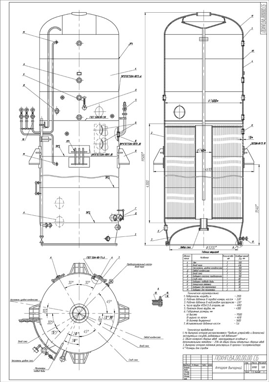
Пример №1. Формат А1. Сборочный чертеж апарата выпарного.

Пример №2. Формат А4. Спецификация апарата выпарного.

Пример №3. Формат А2х3. Сборочный чертеж камеры паровой.

Пример №4. Формат А4. Спецификация камеры паровой (лист 1).

Пример №5. Формат А4. Спецификация камеры паровой (лист 1).

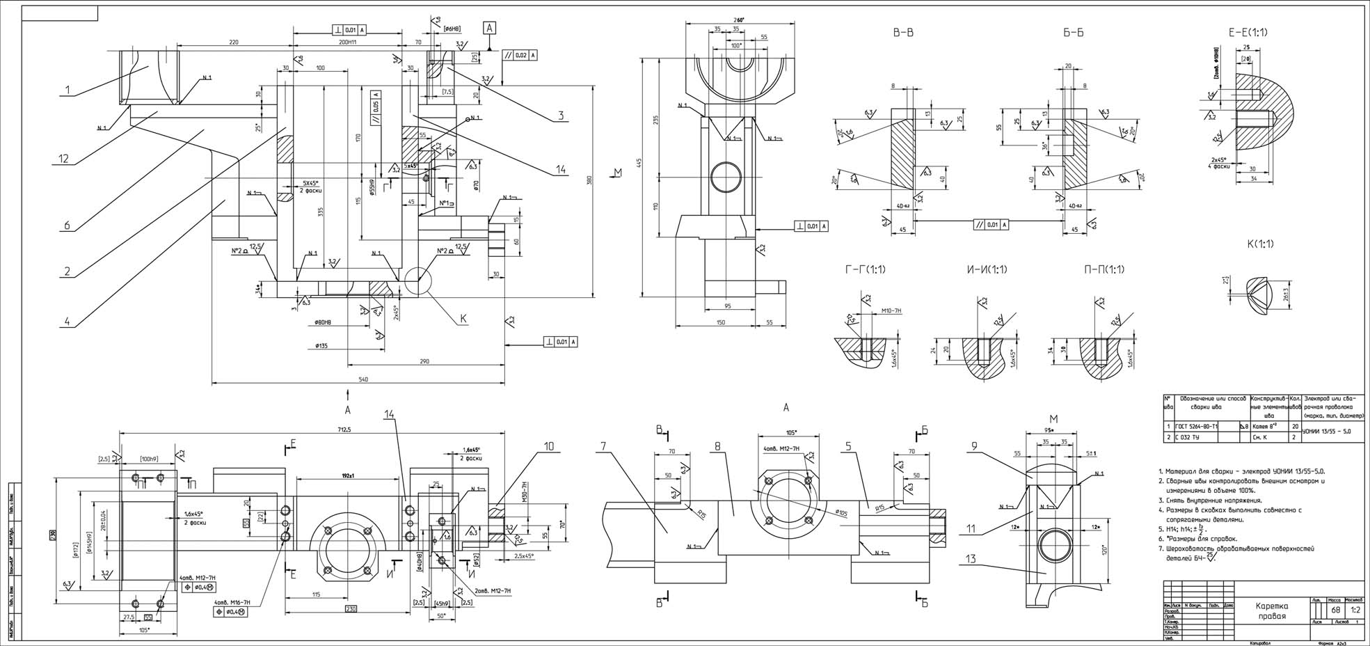
Пример №6. Формат А2х3. Сборочный чертеж Каретки правой.

Пример №7. Формат А1. Сборочный чертеж подогревателя.
